
„Radiostanzia
R-140M w prochodnym poloshenii“ ( Funkstelle R140M im fahrbereiten
Zustand) steht unter dem Bild. Leider habe ich nicht die
Möglichkeiten das ganze Auto unterzubringen, daher mußte
ich mit der Stationärvariante vorlieb nehmen. Auch wenn das die
Nutzung ein wenig einschränkt. 
So
sieht´s innen aus, stark vereinfacht.
Die R140 ist bezüglich der
Stromversorgung recht flexibel.

Zum
"diensthabenden Empfang", d.h. alles außer dem
eigentlichen Sender ist in Betrieb, sind eigentlich nur 1x 220V
nötig. Die können aus dem Einphasennetz oder dem
Benzinaggregat AB1 ( 1kW) kommen.
Zum senden benötigt man
Dreiphasen-Wechselstrom, und zwar 220V (!!). Der wird eingespeist
entweder vom Aggregat AB4, dem Motorgenerator, dem Netz 3x220V oder
3x380V (jetzt 400V). Im letzteren Falle geht das nur über den
Stabilisator ST, dieser regelt die Ausgangsspannung automatisch falls
das Netz mal ein bisschen "weich" oder die Spannung größer
als 220V ist. Der Betrieb der Netzgeräte direkt an 400V ist
nicht möglich! Also einen Trafo davorsetzen oder alle Trafos
umwickeln...
Ich benutze den Stabilisator. Auch wenn der das
schwerste Teil des ganzen Gerätesatzes ist.

Falls
Ihr Grundstück ca. 150 x 100 Meter groß ist sollten Sie
den Aufbau obigen Antennenfeldes in Erwägung ziehen. Damit sind
dann alle möglichen Betriebsvarianten durch umschalten
einstellbar. Bei meiner Anlage steht armutsbedingt z.Zt. nur ein
Dipol, 2x 20m.
Das Herz der Station ist natürlich die
Steuerstufe in der das Sendesignal erzeugt wird. Darin wiederum ist
der Mutteroszillator (Oporny Generator) "Narziss" das
frequenzbestimmende Bauteil. Alleine dieser Quarzoszillator von 5 MHz
ist so groß und bestimmt doppelt so schwer wie ein mittlerer
QRP-Transceiver. Das hat natürlich seinen Grund, auch wenn
mancher Funker eben das nicht erkennt. Der Quarz schwingt im seinem
Vakuumrohr im 5. Oberton und wird, umgeben von zwei gestaffelten
Thermostaten, um 0,001-0,00010C exakt bei 68 0C gehalten. Der
innere Thermostat besitzt dazu eine analoge, d.h. stufenlose
Regelung, bei einem P-I-Regler wäre die Hysterese zu
groß.
Dadurch wird eine Frequenzstabilität von 2x10-9
nach 8 Stunden erreicht. Besser schafft das nur eine Atomuhr, und die
ist in jedem Falle größer!
Der Modulator ermöglicht
die Tlf-Betriebsarten A3J, A3A, A3H, A3SJ, A3SA, A3BJ, A3BA sowie
F3.
Tlg-Betriebsarten sind A1, F1/125, F1/250, F1/500 sowie
F6/250.
Es gibt für Telefonie auch einen Begrenzer ( Klipper)
auf ZF-Ebene der im OSB zugeschaltet werden kann, aber das sollte man
lieber lassen. Mit dem Signal machte man sich selbst auf 80m keine
Freunde!
Nun kommen wir mal zum "Kraftwerk"
der Station. Von vielen Amateuren heiß geliebt aber schlecht
gekühlt...
(Luftströmung wird störend oft empfunden
dieweil sie mit Geräusch verbunden)
Hier
wird aus 1 V (S-S) HF-Steuersignal unter Aufwendung von 3000V
Anoden-, 350V Schirmgitter- und 12V Heizspannung die Nennleistung 1kW
erzeugt. Links sehen Sie den Kühlkörper der Endröhre
Q1/P42 (das polnische Equivalent der russischen GU43B, in
Metall-Keramikausführung von UNITRA) aus seiner Keramikfassung
ragen, geradezu das Kugelvariometer des Tankkreises.
Im
geschlossenen Kasten unten links befindet sich die Treiberstufe mit
2x 6E5P im Gegentakt.
Die Röhre arbeitet im B-Betrieb, wie
der Grafik zu entnehmen ist.
Dieses unscheinbare Bauteil ist eines der Interessantesten an der ganzen Station. Der HF-U dient dazu den Ausgang des LV zum abstimmen auf das Antennenequivalent (auf deutsch dummy-load) oder den Eingang des ASG zu schalten.
Soweit so gut. Wie man sieht hängt aber noch eine Menge anderes Zeug mit ´dran, u.a. auch der Empfänger. Erkennen Sie die Brückenschaltung ziemlich in der Mitte? Dort wird mit Hilfe der Ausgangsspannung der Steuerstufe, dem Eingangswiderstand des ASG, Festwiderständen und dem Empfängereingang eine empfindliche Detektorschaltung gebildet mit der die Antenne leistungslos abgestimmt werden kann. Im Anpassungsfall (Brückennull) wird die gesamte Generatorleistung (brutale 20mW) im Brückenwiderstand verbraten, Antenne und Empfänger bekommen nix mehr ab. Der entstehende Dip ist äußerst spitz und keiner hört den Abstimmvorgang. Dadurch besteht nicht die Gefahr die Endstufe durch Fehlanpassung zu zerstören. Warum gibt es sowas nicht bei Amateurfunkgeräten? (ist mir zumindest nicht bekannt, aber mit derlei Equipment kenne ich mich eh` nicht aus. Man belehre mich eines Besseren!)
Die Anpassung der Sendeantenne und die Umschaltung symetrisch-unsymetrisch erfolgt in dieser Baugruppe. Da wegen der möglichen Transformationsverhältnisse hier die höchsten Spannungen auftreten können ist dieser Einschub auch der Größte von allen.

Hübsch, nicht? Da passen locker vier bis fünf FT-897 o.ä. hinein. Hat aber wieder seinen Grund, das Ding soll ja, wie besagt, 1kW aushalten. Und zwar auch bei 400C, 24 Stunden lang 7 Tage die Woche wenn´s sein muß.
Bei den vielen Bedienelementen ist die Abstimmung natürlich ein zeitaufwendiger Vorgang. Die R140 kann auf 10 Festfrequenzen vorabgestimmt werden, die dann vom Bedienpult aus umgeschaltet werden. Die Speicherung numerischer Werte ( Betriebsarten, Frequenzen, feste Schalterstellungen) erfolgt in Steckfeldern wie diesem:

Interessanter ist die Speicherung von Drehwinkeln wie sie an Drehkondensatoren und Rollspulen auftreten. Dazu gibt es die sogenannten elektromechanischen Speicher EMS.

Hier exemplarisch der EMS aus dem Senderanpassgerät-Dachantenne SA-DA. Wahre Wunderwerke der Feinmechanik, aber eigentlich leicht zu verstehen. Die Winkel werden mit Hilfe geschlitzter Scheiben gespeichert, die nach dem Abstimmen durch den kleinen Hebel am Bedienknopf gegeneinander verspannt und damit blockiert werden. Auf dem folgenden Bild sind die 10 Scheiben ( für jede Frequenz eine) durch den gelben Pfeil markiert.

Beim automatischen Abstimmen dreht ein Motor die Trommel solange durch bis der zur jeweiligen Festfrequenz gehörende Hebel in den Schlitz der entsprechenden Scheibe fällt; fertich. (auf sächsisch: fert´sch...)
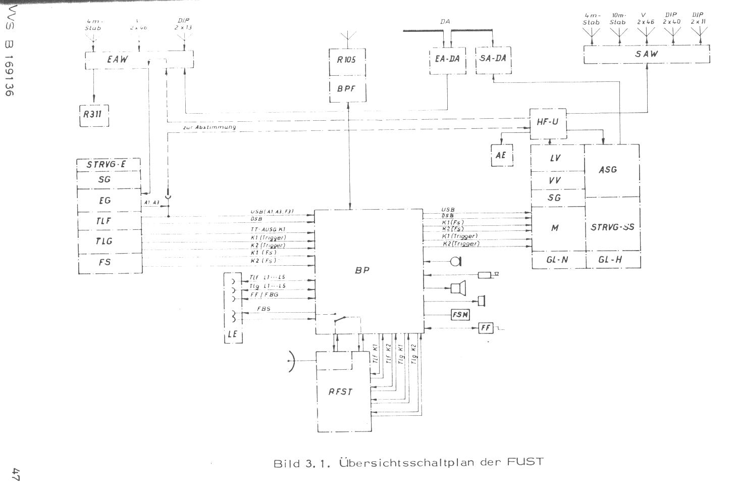
Die eigentliche Bedienung, d.h. das Umschalten der (Fest-)Frequenzen, Signalwege, das einpegeln der Signalleitungen und die Sende- Empfangsumschaltung erfolgt am BP.

Das Mikrofon mit dem tollen Spucketrichter ist im üblichen militärischen Betrieb seltener benutzt worden. Die FUST bekommt die zu übertragenden Informationen normalerweise über die Leitungen 1 bis 4 oder die Richtfunkstelle, die dann mit den Verbindungskabeln und -steckern auf Sender oder Empfänger gelegt werden. Der Funker stellt lediglich die Verbindung sicher. Bei mir ist das natürlich anders. Sollte mir oder meinem QSO-Partner der Krach der drei Lüftermotoren zu sehr auf den Senkel gehen kann ich aber über den sogenannten Zweidraht-Umsetzer 2DR-U einen Feldfernsprecher FF anschließen. Dieser Umsetzer splittet die Signale für Sender und Empfänger auf und schaltet den Sender ein, indem er die Schaltspannung des FF auswertet. So kann man gemütlich im Wohnzimmer auf der Couch (oder wo auch immer zwei Drähte hinführen!) sitzen und labern. Damit entgeht einem natürlich der Anblick der wunderschönen Station...
Normalerweise gehört zur R140 ein Empfänger des Typs R155. Dieses Gerät ist jedoch, wie könnte es anders sein, gewaltig groß und schwer. Meine Befürchtungen wegen möglicher Überschreitung der Deckenlast ließen mich davor zurückschrecken den Stein auch noch aufzustellen. Ich benutze jetzt den R250M2. Der ist zwar ein noch älteres Semester, gefällt mir persönlich aber besser. Der R155 besitzt den gleichen Steuergenerator 1OM wie der Sender, dementsprechend gibt es nur Dekadenschalter und das Steckfeld zum einstellen der Frequenzen. Mal eben „über das Band drehen“ wird nahezu unmöglich.
Zur Demodulation von Fernschreibsignalen dient jetzt der EZ100 von RFT. Der Fernschreibzusatz "TOPOL M" ist mir leider final kaputtgegangen (Netztrafo abgebrannt) daher diese zusammengestoppelte Technik.


Hier ein Bild aus besseren Zeiten, da hat er noch funktioniert. Wenn mal wieder ein langer und kalter Winter kommt könnte ich den Trafo theoretisch abwickeln und erneuern, aber wegen der globalen Erwärmung wird das wohl nichts werden. SO lange Winter gibt`s bestimmt nie mehr!
Dieser Empfänger hier ist Baujahr 1973, also schon die "moderne" Variante M2. Die Ersten gab es ab ca.1947 und gefertigt wurde das Gerät bis Mitte der 80er Jahre. Anders gesagt: man hat über 30 Jahre gebraucht um mit Halbleitern etwas Ebenbürtiges zu bauen! Damit meine ich wiederum nicht die Konsumelektronik. Einen handelsüblichen Amateurfunkempfänger schlägt dieser Oldtimer immer noch um Längen, solange es um die technische Parameter und das akustische empfinden der NF geht! Manches „Computerkid“ heutzutage würde an den Knöpfen wahrscheinlich verzweifeln, denn da liegen keine Menüs drunter. Bei der „Bedienerführung“ gibt's also Punktabzug...
Der Empfänger hängt in meinem Falle an
einem Langdraht, ca. 30m, der unweit des Sendedipoles in fast der
selben Richtung ausgespannt ist. Während des sendens wird
lediglich der ZF-Verstärker stummgetastet damit mir unter den
sehr gut schließenden AMPLIVOX-Hörern nicht die Ohren
wegfliegen. Der Eingangsstufe hingegen sind die ca. 15V
HF-Spannung am Eingang völlig schnuppe. Jede PIN-Diode würde
dabei wahrscheinlich verglühen, das ist Großsignalfestigkeit
wie ich sie verstehe.
Wenn dieser Empfänger auf dem 80m-Band
auf eine freie Frequenz abgestimmt ist hört man nichts. Wirklich
nichts! Dieses nervöse Rauschen was eigentlich jedem
halbleiterbestückten KW-Gerät entströmt höre ich
nur wenn ich die HF-Verstärkung fast bis zum Anschlag aufreiße.
Es gab schon Leute die dachten der Empfänger wäre kaputt,
bis dann mit beachlicher Lautstärke ein glockenreiner CW-Ton,
irgendwo aus Europa, durch den Raum schallte.